二片式国标高平台法兰球阀
标准规范:
●设计标准/Design:GB/T12224 GB/T122237
●结构长度/Face to Face:GB/T12221
●法兰接端/End Flange:GB/T9113.1
●壁厚/Wall Thickness:GB/T12224-2005
●检验与测试/Inspection&Testing:GB13927,API598
二片式高平台法兰球阀
标准规范:
●设计标准/Design:ASME B16.34,API 608,BS EN12516-1
●结构长度/Face to Face:ASME B16.10,JIS B2002,DIN EN 558-1
DIN 3202 F17(F1 DN15-DN100/F7 DN125-DN300)
F18(F4 DN15-DN100/F5 DN125-DN300)
●法兰接端/End Flange:ASME B16.5,JIS B2238,BS EN 1092-4
●壁厚/Wall Thickness:ASME B16.34, BS EN 12516-1
●检验与测试/Inspection&Testing:API 598,JIS B2003 DIN 3230/3,EN12266
不锈钢两片全通径法兰球阀ASME 150Lb

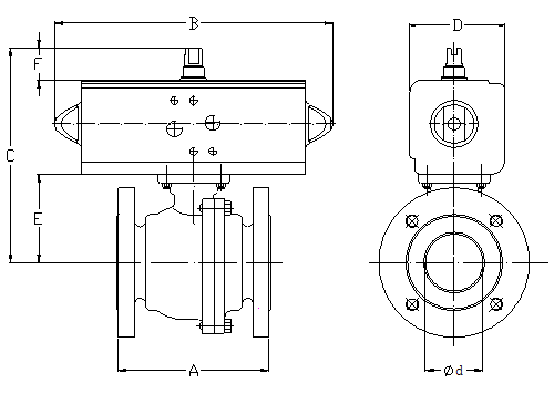
两片法兰式规格尺寸及重量表
执行器气源最小压力0.42Mpa
| 尺寸 | ød | A | B | C | D | E | F | 执行器 | 重量/kg | 连接支架 | 气源接口 |
| DN15 | 15 | 108 | 159 | 127.2 | 52.2 | 55 | 20 | DAPS-0015 |
| F03 | NAMUR 1/8 |
|
|
|
|
|
|
|
|
| DN20 | 20 | 117 | 159 | 133.2 | 52.2 | 61 | 20 | DAPS-0015 | 0.75 | F03 | NAMUR 1/8 |
| 174 | 140.2 | 59.2 |
| DAPS-0030 | 1 | F05 | NAMUR 1/8 |
| DN25 | 25 | 127 | 174 | 149.2 | 59.2 | 70 | 20 | DAPS-0030 | 1 | F05 | NAMUR 1/8 |
|
|
|
|
|
|
|
|
| DN32 | 32 | 140 | 198
| 163.4 | 70.4 | 73 | 20 | DAPS-0060 | 1.9 | F05 | NAMUR 1/8 |
|
|
|
|
|
|
|
|
| DN40 | 40 | 165 | 198 | 183.4 | 70.4 | 93 | 20 | DAPS-0060 | 1.9 | F07 | NAMUR 1/8 |
| 236.5 | 196.3
| 83.3 | 20 | DAPS-0106 | 2.3 | F07 | NAMUR 1/8 |
DN50
| 50 | 170 | 236.5 | 204.3 | 83.3 | 101 | 20 | DAPS-0106 | 2.3 | F07 | NAMUR 1/8 |
|
|
|
|
|
|
|
|
| DN65 | 65 | 190.5 | 236.5 | 222.3 | 83.3 | 119 | 20 | DAPS-0106 | 2.3 | F07 | NAMUR 1/8 |
| 289.9 | 256.5 | 107.5 | 30 | DAPS-0180 | 4.1 | F10 | NAMUR 1/8 |
| DN80 | 80 | 203 | 289.9 | 266.5 | 107.5 | 129 | 30 | DAPS-0180 | 4.1 | F10 | NAMUR 1/8 |
| 313.6 | 270.1 | 111.1 | 30 | DAPS-0240 | 5.2 | F10 | NAMUR 1/8 |
DN100
| 100 | 229
| 313.6 | 290.1 | 111.1 | 149 | 30 | DAPS-0240 | 5.2 | F10 | NAMUR 1/8 |
| 339.3 | 297 | 118 | 30 | DAPS-0360 | 6.2 | F10 | NAMUR 1/8 |
| 387.7 | 313.9 | 134.9 | 30 | DAPS-0480 | 8.2 | F10 | NAMUR 1/4 |
| DN125 | 125 | 356 | 387.7 | 338.9 | 134.9 | 174 | 30 | DAPS-0480 | 8.2 | F12 | NAMUR 1/4 |
| 433 | 352 | 148 | 30 | DAPS-0720 | 12.2 | F12 | NAMUR 1/4 |
| DN150 | 150 | 394 | 433 | 401 | 148 | 223 | 30 | DAPS-0720 | 12.2 | F12 | NAMUR 1/4 |
| 479.4 | 421 | 168 | 30 | DAPS-0960 | 17.4 | F12 | NAMUR 1/4 |
| DN200 | 200 | 457 | 479.4 | 484 | 168 | 286 | 30 | DAPS-0960 | 17.4 | F12 | NAMUR 1/4 |
| 567 | 502 | 186 | 30 | DAPS-1440 | 23 | F12 | NAMUR 1/4 |
| DN250 | 250 | 533 | 601 | 748.7 | 207.7 | 511 | 30 | DAPS-1920 | 30.7 | F14 | NAMUR 1/4 |
| 667 | 870 | 311 | 30 | DAPS-2880 | 55 | F14 | NAMUR 3/8 |
| DN300 | 300 | 610 | 601 | 870.7 | 207.7 | 633 | 30 | DAPS-1920 | 30.7 | F14 | NAMUR 1/4 |
| 667 | 992 | 311 | 30 | DAPS-2880 | 55 | F1416 | NAMUR 3/8 |
| 718 | 948 | 241 | 30 | DAPS-3840 | 49 | F1416 | NAMUR 3/8 |