
不锈钢两通全通径三片球阀

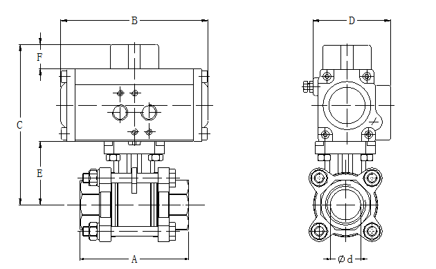
两片法兰式规格尺寸及重量表 执行器气源最小压力0.42Mpa | 尺寸 | ød | A | B | C | D | E | F | 执行器 | 重量/kg | 连接支架 | 气源接口 | | 1/4" | 11.2 | 60 | 147 | 124.4 | 71 | 32.4 | 20 | A2S020/08 | 2.15 | F03 | NAMUR 1/4 | | 168 | 139.4 | 83 | 20 | A2S035/08 | 2.75 | F04转F07 | NAMUR 1/4 | | 3/8" | 12.7 | 60 | 147 | 124.4 | 71 | 32.4 | 20 | A2S020/08 | 2.15 | F03 | NAMUR 1/4 | | 168 | 139.4 | 83 | 20 | A2S035/08 | 2.75 | F0405 | NAMUR 1/4 | | 1/2" | 15 | 75 | 147 | 132.5 | 71 | 40.5 | 20 | A2S020/08 | 2.15 | F05 | NAMUR 1/4 | | 168 | 147.5 | 83 | 20 | A2S035/08 | 2.75 | F05 | NAMUR 1/4 | | 3/4" | 20 | 80 | 168
| 157.5 | 83 | 50.5 | 20 | A2S035/08 | 2.95 | F05 | NAMUR 1/4 | | 184 | 169.5 | 95 | 20 | A2S050/08 | 3.75 | F05 | NAMUR 1/4 | | 1" | 25 | 90 | 184 | 175.5 | 95 | 56.5 | 20 | A2S050/08 | 4.15 | F05 | NAMUR 1/4 | | 204 | 185.5
| 103 | 20 | A2S075/08 | 4.85 | F05 | NAMUR 1/4 | | 1-1/4" | 31.8 | 110 | 204 | 189 | 103 | 60 | 20 | A2S075/08 | 5.45 | F05 | NAMUR 1/4 | | 262 | 197 | 108 | 20 | A2S110/08 | 7.05 | F05 | NAMUR 1/4 | | 1-1/2" | 38.1 | 120 | 262 | 214 | 108 | 77 | 20 | A2S110/08 | 8 | F07 | NAMUR 1/4 | | 268 | 230 | 121 | 30 | A2S160/08 | 9.7 | F07 | NAMUR 1/4 | | 2" | 50 | 140 | 268 | 237 | 121 | 84 | 20 | A2S160/08 | 11.45 | F07 | NAMUR 1/4 | | 301 | 259 | 142 | 20 | A2S255/08 | 14.65 | F07 | NAMUR 1/4 | | 2-1/2" | 65 | 185 | 301 | 276 | 142 | 101 | 20 | A2S255/08 | 19.3 | F10 | NAMUR 1/4 | | 390 | 293 | 152 | 20 | A2400/08 | 24.2 | F10 | NAMUR 1/4 | | 3" | 76 | 205
| 390 | 303 | 152 | 111 | 20 | A2S400/08 | 28.95 | F10 | NAMUR 1/4 | | 458 | 328 | 174 | 20 | A2S500/08 | 37.95 | F10 | NAMUR 1/4 | | 4" | 100 | 240 | 458 | 348 | 174 | 131 | 20 | A2S500/08 | 46.3 | F10 | NAMUR 1/4 | | 525 | 391 | 206 | 30 | A2S550/08 | 57.3 | F10转F14 | NAMUR 1/4 |
|